基于最优吸收回路大功率时间域激电发射机研制
Development of a high-power time-domain induced polarization transmitter based on optimal absorption circuit
通讯作者: 周胜(1984-),男,河北沧州人,高级工程师,从事电磁法勘探理论与仪器装备研发工作。Email:zhousheng.11@163.com
第一作者:
责任编辑: 王萌
收稿日期: 2024-05-17 修回日期: 2024-09-15
| 基金资助: |
|
Received: 2024-05-17 Revised: 2024-09-15
大深度激电测深法需要长导线大电流供电,感性阻抗、分布电容等因素导致发射关断波形振荡,极大影响了激电测量精度。针对此问题,本文首先构建了大功率激电发射极长导线引起的电磁感应仿真模型,提出了基于RCD吸收回路消除激电电磁耦合方法;然后基于最优吸收回路算法,计算了最优吸收回路参数;接着设计大功率30 kW激电发射机最优吸收电路,通过仿真计算表明,最优吸收回路有效解决了发射关断波形振荡的问题;最后,基于最优吸收回路研发了大功率激电样机,并在山西某地布置了AB/2长1 500 m的大极距,发射电流10 A重复观测了4个测量点的关断全波形,极化率最大标准差为0.02,其实验效果较好,精度满足相关规范要求。
关键词:
Large-depth induced polarization sounding requires power supply with long wires and high current. This results in the oscillation of the turn-off waveforms, which greatly affect the accuracy of induced polarization (IP) measurement. To address this issue, this study first constructed a simulation model for electromagnetic induction caused by the long wires for high-power IP transmitters and proposed a method to eliminate IP electromagnetic coupling using an RCD absorption circuit. Then, using the optimal absorption circuit algorithm, the parameters of the optimal absorption circuit were calculated. Afterward, the optimal absorption circuit of the high-power 30 kW IP transmitter was designed, and the simulation results indicate that the optimal absorption circuit effectively mitigated the oscillation of turn-off waveforms. Finally, based on the optimal absorption circuit, a high-power IP transmitter prototype was developed. An AB/2 configuration with a large electrode spacing of 1 500 m was deployed in an area of Shanxi Province. The full turn-off waveforms at four measurement points were repeatedly observed under an emission current of 10 A. With a maximum standard deviation of polarizability estimated at 0.02, the accuracy of the transmitter met the requirements of relevant specifications.
Keywords:
本文引用格式
钱文圣, 席振铢, 周胜, 亓庆新, 肖长安, 王俊, 薛文韬.
QIAN Wen-Sheng, XI Zhen-Zhu, ZHOU Sheng, QI Qing-Xin, XIAO Chang-An, WANG Jun, XUE Wen-Tao.
0 引言
激发极化法是依据地下地质体激电效应的差异来探测地下目标体的一种物探方法,也称激电法。激电法通过向地下发送稳定电流,产生稳定电场(一次场),在一次场的激励下,岩矿体产生激电效应,形成极化场(二次场),一次场与二次场在地表产生的电位之比即为视极化率[1]。激电法向地下发送矩形波,在供电间隙测量地表的极化电位。因此,早期数据会受电磁耦合影响,而电磁耦合实质是电磁感应,是由电流快速变化引起的。大功率激电是在激电法基础上,增加发射功率,提高发射电流,使岩矿体产生更高的响应,以此提高信噪比,保证深部的观测精度,但也增大了电磁耦合效应[2]。在大功率激电勘探中,长导线大电流产生的电磁感应耦合不能忽略。在感性负载下,发射机在供电和断电间隙,回路中的电流并不能瞬间消失,而是呈指数级别的上升和下降,并且产生电压尖峰[3]。为了解决电磁感应耦合问题,通常采用斩波技术处理早期信号,只研究经一段延时后的二次场信号,但是早期激电信号幅值大,是激电信号的主要成分,斩波技术的应用严重影响了激电异常的幅值[4]。国外仪器VIP-10000发送逆变模块直接采用4组继电器来控制发送与关断,但是继电器控制延迟较高,且在高压大电流条件下寿命较短,稳定性较差。随着半导体器件的发展,发射机开关器件多数采用大功率IGBT、MOSFET。付国红等[5]基于大功率MOSFET和CPLD设计频率域电法发射机,彭祥等[6]基于大功率IGBT设计时频激电发送机系统,二者在逆变电路结构中均没有改善发送波形的措施。
激电法与其他有源电磁法类似,均使用间歇性的矩形脉冲电流作为激励源,根据不同的电磁响应可分为时间域和频率域[7]。改善发送波形在时间域电法仪器中较为常见,周逢道等[8]分析了时间域电磁探测发射电流过冲产生原理以及抑制的方法,在电流震荡前加入加速电阻以减少电流震荡,对于激电法,该方法会将发送两端用小电阻直连,可能会对接收数据造成影响。对发送波形的优化在于两点:一是缩短关断时间以增加有效信号长度,二是降低关断电压尖峰和振荡电流以减少电磁耦合效应。在电源中常用钳位电路来减少电压浪涌,优化电压波形,而RCD钳位电路因其结构简单、体积小、成本低得到广泛应用。Huang等[9]研究在DC-DC转换器中采用最优RCD设计,与非最优化设计相比将峰值电压降低了8.2%。RCD吸收回路有经典RCD吸收回路和放电阻止型吸收回路,Liu等[10]采用固态断路器与RCD缓冲器并联的方式,计算了3种RCD缓冲器的工作过程,并指出放电阻止型RCD缓冲器具有吸收速度快、电压尖峰小等优点。Zhou等[11]采用经典RCD吸收回路研究瞬变电磁发射机最优吸收回路参数得到最短关断时间。激电法发射机相比于瞬变电磁发射机,有更高的电压需求,所以在考虑最短关断时间的同时还需考虑开关管的耐压性能。本文基于激电发射机发送的特点,假定大地为纯阻性负载,采用放电阻止型RCD电路设计吸收回路,通过数值计算得到最优关断时间与相匹配的电容电阻值,再设计激电发射机进行实测。
1 最优化吸收回路方法原理
1.1 激电RCD吸收回路原理
RCD钳位电路的出现是为了解决变压器中原边开关器件断开后漏感能量造成开关器件损坏的问题。其原理是在开关管关断后,将剩余能量通过二极管引入到钳位电容中,由钳位电路的电阻消耗,以此削弱开关器件尖峰幅值,延缓电流变化的速度,减少电流的振荡,用多个RCD钳位电路可组成吸收回路[12]。
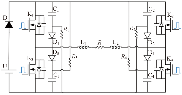
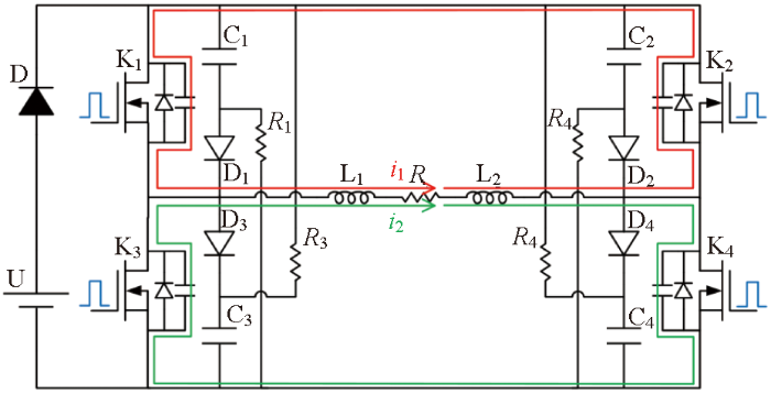
图1
图1
基于RCD吸收回路的激电发射仿真电路
Fig.1
Simulation circuit of induced polarization emission based on RCD absorption circuit
其中L1、L2为长导线感抗,R6、R7为接地电阻,R13为阻值兆级的假负载。发送频率取1 Hz,对电路进行仿真,得到图2所示示波器仿真波形。
图2
图2
引入RCD吸收回路前后仿真电路接收波形对比
Fig.2
Comparison of received waveforms in simulation circuits before and after introducing RCD absorption circuits
从极化体两侧接收电压波形可以看出引入RCD吸收回路可以有效改善激电早期接收信号的过冲和振荡,提前获取激电关键信息,证明了在发射机中引入RCD吸收回路对改善激电接收信号的有效性。
1.2 最优化吸收回路原理
发射机引入吸收回路后,其发射电流关断时间由开关器件断开延迟、大地阻抗、吸收回路共同决定。常用MOSFET开关速度为nS级,可忽略,大地阻抗由接地条件与地下地质条件决定,故关断时间的大小在于对吸收回路的优化。吸收回路对关断时间的影响取决于不同的容阻值影响了电流下降的速度以及尾部的振荡的大小,过快的下降时间会引起强烈的振荡,如果能计算出不引起振荡的最短电流下降时间,则为最短关断时间,此时为最优化吸收回路。
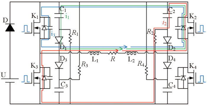
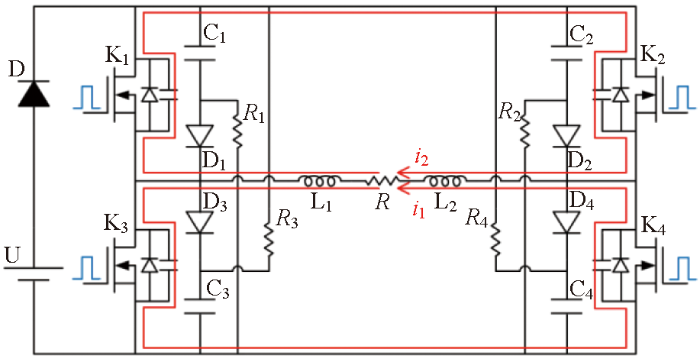
如图3所示,逆变模块为4个相同的MOS管K1、K2、K3、K4组成的全桥逆变电路,在每个MOS两端并联参数相同的放电阻止型RCD钳位电路,组成吸收回路,其负载是由接地电线和大地等效而成的电感与电阻的串联模型。K1、K4与K2、K3分别由两路PWM波控制,在计算过程中,考虑每个MOS的结电容CK1、CK2、CK3、CK4和体二极管DK1、DK2、DK3、DK4,MOS管导通电阻为Ron,MOS管结电容大小为Ck,吸收回路中电容容值为C,电阻阻值为R0,电路中二极管压降均为Ud。
图3
图3
基于RCD吸收回路的激电发射机数学模型
Fig.3
Mathematical model of induced polarization transmitter based on RCD absorption loop
假设在t0时刻,K1与K4闭合,K2、K3断开,此时C1、C2、C3、C4两端电压均为U0=U-Ud,负载中流过稳定电流I0,其值I0=U0/(R+2Ron),CK1、CK4两端电压UK1=UK4=I0·Ron,CK2、CK3两端电压UK2=UK3=U0-I0·Ron,其电流流向如图4所示。
图4
在t1时刻,K1与K4断开,电感L1与L2中电流呈指数下降,电感中流过的电流为I,电感值二极管DK1、DK2、DK3、DK4均为反向截至状态,电容CK1、CK4充电,CK2、CK3放电,直到DK2、DK3导通,电路中电流如图5所示。根据回路的对称性,有I=2i2,可得:
图5
可得电感中的电流I关于时间t的微分方程:
其中:I(0)=I0。
由于CK的容值很小,一般为pF级,CK4两端电压快速上升,到t2时刻时,UK4≥U0+Ud,UK3≤-Ud时,二极管DK2、DK3、D1、D4导通,二极管DK1、DK4、D2、D3反向截止,R1、R4被二极管DK3、DK2短路,吸收回路电容两端电压UC1、UC2、UC3、UC4上升。t2时刻后电路中电流流向图如图6所示,i1、i2、i3分别表示流过C1、C2、CK1的电流,根据回路的对称性,流经C4、C3、CK4的电流未标出。
图6
根据各电流流向以及各部分电压变化,列出以下方程:
结合式(5)~(10),并考虑电路对称性结构,可得负载中电流关于时间的微分方程:
其中:
在t2时刻后,电流快速下降,直到t3时刻电流下降为0,CK4两端电压达到最大值,有
式中:
图7
负载中电流可视为两路RLC震荡电路的叠加,可列出电流微分方程:
代入I(0)=0,即可求得电流震荡衰减曲线,一段时间内电流峰值不超过1%初始电流即认为完全关断,以上完成了整个关断过程的电路分析与计算。
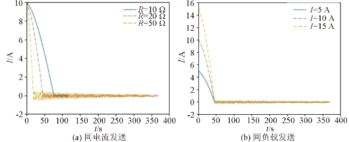
2 最优化吸收回路仿真计算
激电法接地电阻常在10~50 Ω,考虑大功率激电法发送电流在10 A以上,设发送电线2 km,长导线自感值根据经验公式L=2l
图8
图8
不同发送条件下的关断波形对比
Fig.8
Comparison of shutdown waveforms under different transmission conditions
可以看出,相同的电流下,负载越小,电流下降所需时间越长,震荡电流越小,在相同的负载下,在一定范围内改变发送电流,电流下降时间几乎不发生变化。由于接地电阻是不断变化的,若要固定发送机吸收回路参数,负载取中间值20 Ω较为合适。为确定吸收回路参数,设置电容在100~5 000 nF之间,设置吸收回路电阻为500~60 000 Ω,通过数值计算可以得到关断时间曲线图,如图9所示。
图9
图9
基于RCD吸收回路最优化关断时间曲线
Fig.9
Optimization shutdown time curve based on RCD absorption circuit
图中最优关断中心点在(800 nF,8 000 Ω)处取得,为95.007 μs,其尖峰电压为603 V。在最优关断区域左侧,关断时间由电流震荡时间主导,而在最优关断时间右侧,关断时间由电流下降时间主导。
3 激电发射机研制
发射机整体设计如图10所示,由控制模块、驱动电路、逆变模块、检测电路、显示器等组成。其中控制模块基于ZYNQ全可编程片上系统,包含PS和PL,具有体积小、性能强、低功耗等优点。逆变模块由4组SiC-MOSFET的全桥电路和基于最优关断的吸收回路组成,开关器件选用国晶微GC2M0045170D,与普通MOSFET相比,具有更强的耐压与更低的导通功耗,降低散热需求,其漏源击穿电压为1 700 V,导通电阻45 m·Ω,连续漏极电流72 A,满足激电发送需求。吸收回路基于最优范围内选择820 nF耐压1.6 kV的CBB无感电容与8.06 kΩ厚膜电阻。
图10
基于以上器件选型完成激电发射机设计并进行室内测试。测试高压电源采用SP1500VDC36000W,纹波电压<2 500 mVpp,<600 mVrms,纹波电流<33 mArms,电流经滤波电路与两组1 800 V防倒灌二极管进入逆变模块。负载电感采用两组电感量为2.6 mH、线粗6 mm2的线圈,负载电阻采用功率为1 500 W的20 Ω电阻。将电源电压设置为200 V,使用10 m·Ω采样电阻检流,示波器型号为RIGOL DS1054。以1 Hz频率发送双极性方波,关断波形如图11所示。
图11
图11
基于最优吸收回路的激电发射机关断波形
Fig.11
Interruption waveform of induced polarization emission mechanism based on optimal absorption circuit
4 野外测试
为测试仪器发送系统性能,在山西某地使用激电发射系统进行野外测试。测试条件为AB发送极距3 km,发送电流10 A,接地电阻在20~30 Ω之间,发送周期16 s,接收机采用TDMIP-18激电接收系统与发送机同步发送接收,采样率4 ksps。对4处测试点分别进行两次测量,其测量结果衰减曲线对比如图12所示。
图12
图12
4处测试点两次采集结果对比
Fig.12
Comparison of two acquisition results at four test points
从测试结果来看,两次测量结果一致性较好,在进入噪声期前,两次接收信号基本重合,但仍然存在微小过冲,原因是发射与接收之间的耦合效应在接收机端产生了过冲,此过冲大小与接收机和发射长导线、发射电极的相对位置有关。选取发射关断100 ms后的数据计算极化率,得到测试结果于见表1。
表1 测量点两次测量极化率对比
Table 1
| 测点号 | 原始测量 极化率值/% | 检查测量 极化率值/% | 平均值/% | 标准差 |
|---|---|---|---|---|
| a | 1.51 | 1.49 | 1.50 | 0.01 |
| b | 0.47 | 0.45 | 0.46 | 0.01 |
| c | 0.23 | 0.21 | 0.22 | 0.01 |
| d | 0.39 | 0.42 | 0.41 | 0.02 |
5 讨论和结论
本文从最优化RCD吸收回路理论出发,通过模型计算、电路设计、实测比对,得出以下结论。
1)完成对RCD吸收回路电路结构、工作过程的分析,通过仿真计算得到最优吸收回路参数,并通过室内测试验证了该算法的正确性。通过该方法可以快速确定吸收回路与开关器件选型要求。
2)设计基于最优吸收回路和ZYNQ的激电发射机,具有高发送精度、线性关断、低功耗等优点。
3)最优化吸收回路有效解决了大功率激电电磁振荡的问题,对激电发射机研制具有重要意义。
参考文献
大功率激发极化法在额尔古纳成矿带中段找矿中的应用
[J].
The application of high-power induced polarization in the middle section of eerguna metallogenic belt
[J].
RC-RCD clamp circuit for ringing losses reduction in a flyback converter
[J].
电场差分信号的采集特点及数据采集系统
[J].
Characteristics of electric field differential signal acquisition and data acquisition system
[J].
基于CPLD的频率域电法发送机设计
[J].
Design of frequency domain electrical prospecting transmitter based on CPLD
[J].
DDF20-1大功率时频激电发射机的设计
[J].
Design of DDF20-1 high power time frequency IP transmitter
[J].
频率域电法的新进展
[J].
The new development of frequency domain electro-prospecting
[J].
时间域电磁探测发射电流过冲产生原理及抑制
[J].
Current overshoot produce principle and inhibition of transmitter of time domain electromagnetic detection system
[J].
An optimal designed RCD snubber for DC-DC converters
[C]//
Solid-state circuit breaker snubber design for transient overvoltage suppression at bus fault interruption in low-voltage DC microgrid
[J].
Optimal design of classic RCD absorption circuit in transient electromagnetic transmitter
[J].
Analysis and design for RCD clamped snubber used in output rectifier of phase-shift full-bridge ZVS converters
[J].
/
| 〈 |
|
〉 |
