音频大地电磁接地电阻校正技术研究
Exploring a correction technology for ground resistance in audio-frequency magnetotelluric measurements
通讯作者: 张明财(1986-),男,博士,高级工程师,2021年毕业于中南大学,主要从事水利水电工程物探探测与检测工作。Email:csuzmc@163.com
第一作者:
责任编辑: 王萌
收稿日期: 2024-04-19 修回日期: 2024-06-21
| 基金资助: |
|
Received: 2024-04-19 Revised: 2024-06-21
接地电阻是影响音频大地电磁测量精度的重要因素之一,因此,研究降低接地电阻的干扰对于提高音频大地电磁数据的可靠性和解释精度具有重要意义。本文深入研究了接地电阻对实测电场、视电阻率和阻抗相位的影响,并提出了相应数值校正方法,将接地电阻的影响降低至可忽略的程度。理论计算结果表明,当接地电阻过高时,高频段的视电阻率最大减小至原来的1/4,阻抗相位最大偏移20°。实测数据校正结果表明,该方法能有效降低接地电阻造成的干扰,提高音频大地电磁法对浅部信息探测的精度,对于改善音频大地电磁法在工程勘查等领域的应用效果具有重要意义。
关键词:
Ground resistance is a significant factor affecting the accuracy of audio-frequency magnetotelluric (AMT) measurements. Hence, reducing the interference from ground resistance is critical for enhancing the reliability and interpretation accuracy of AMT data. By delving into the impacts of ground resistance on the measured electric field, apparent resistivity, and impedance phase, this study proposed a numerical correction method for reducing the impacts of ground resistance to a negligible level. As indicated by the theoretical calculation results, too high ground resistance can reduce the apparent resistivity in high-frequency bands to a quarter of the original value and shift the impedance phase by a maximum of 20°. The correction results of measured data demonstrate that the proposed method can enhance the accuracy of the AMT method in detecting shallow information by effectively reducing the interference from ground resistance. Therefore, this study holds critical significance for improving the application of the AMT method in engineering exploration.
Keywords:
本文引用格式
李栋, 张明财, 吴远洋.
LI Dong, ZHANG Ming-Cai, WU Yuan-Yang.
0 引言
音频大地电磁法(audiomagnetotelluric method, AMT)是通过在地表测量天然场源产生的电磁场分量,来推断地下介质电导率和磁导率分布的一种特定类型的大地电磁法[1],频率范围通常在1 Hz~100 kHz之间,高频电磁波在地下传播时衰减较快,且受到散射、反射和折射等作用的影响更大,因此被广泛应用于工程领域中的深厚覆盖层[2]、滑坡体[3-4]、构造破碎带[5]、大型岩溶[6-7]、采空区[8]、地下水[9-10]等探测。电场分量是通过接地电极进行测量,在理论计算时,设定的模型通常为接地电阻趋于零。但在实际测量工作中,受地形地貌的影响,会存在卵砾石、碎石土、冻土等多种地层,导致同一测线的多个测点会存在接地条件不同的情况,并且所测量的电场除地下介质的信息,还包含了由于接地条件不稳定所带来的干扰信息,从而影响采集数据的质量。
许多学者研究了接地电阻对AMT测量的影响。张友山等[11]提出了在仪器的输入回路中增加前置补偿放大器,提高了观测精度;Zonge等[12]通过研究发现接地电阻对CSAMT高频数据的影响较大;李汝传[13]分析了MN长度误差及MN间的接地电阻对卡尼亚电阻率的影响特征;Thomas[14]在Zonge的研究基础上,推导了接地电阻对复电阻率测量的影响;王辉等[15-16]通过研制新型不极化电极和改变电极的掩埋方式,提高了大地电场的观测精度;汤井田等[17]通过改善Zonge提出的等效电路模型,计算了接地电阻稳定性对电场、视电阻率和阻抗相位的影响,并进行了野外对比实验;杨轮凯等[18]使用汤井田等的算法,分析了接地电阻对实测MT数据的影响。
本文同样沿用汤井田等[17]的改进模型及算法,以TE极化模式为例,给出了阻抗相位的接地电阻影响校正算法,并将理论计算的结果应用于野外实测数据的校正处理中,有效削弱了接地电阻对AMT高频段的干扰,提高了实测数据对浅部地下介质的分辨率。
1 接地电阻对AMT数据的影响
均匀半空间下,大地电磁阻抗[19-
其中:Zxy为大地电磁阻抗;Ex为x方向电场分量;Hy为y方向磁场分量。实际工作中,测量电极MN之间的电位差为V,归一化电场值为E=
其中:Vx为x方向测量电极MN之间的电位差。
假设M、N极相对参考电极产生的电场相同,则
其中:Vr,M为M电极相对参考电极产生的电位差;Vr,N为N电极相对参考电极产生的电位差;Vr为接收回路实测电位差。
其中:k=-
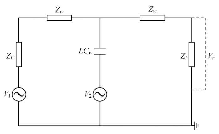
图1
在均匀半空间情况下,导线内的电位梯度是恒定的,导线和接地之间的平均电位差V2=
其中:j为复数单位;其余物理量含义同上。
卡尼亚视电阻率和相位[19]为:
其中:ρxy为实测卡尼亚视电阻率;φxy为实测阻抗相应;μ0为真空磁导率。
结合式(2)、式(3)、式(5)、式(6),可得:
均匀半空间条件下,电场Ex与磁场Hy之间的相位差为45°,由式(7)可得:
其中:ρ为理论视电阻率;φ为理论阻抗相位;
2 理论计算
基于式(5),设L=20 m,Cw=20 pf/m,V1=1.0 V/m,接收回路实测电位差Vr如图2所示。
图2
图2
电场幅值与接地电阻关系
Fig.2
Diagram of the relationship between electric field amplitude and grounding resistance
由图2可知,当接地电阻较小时(R<1 kΩ),在计算频率范围内,电场幅值趋近于接收电极测量电位V1,即电场强度受频率影响可忽略不计;当接地电阻较大时(1 kΩ<R<100 kΩ),在计算频率范围内,随着接地电阻R的增大,影响的频率范围逐渐变宽,并逐渐影响到低频段;当接地电阻过大时(R>100 kΩ),在计算频率范围内,高频段受影响大。同一采样频率下,电场幅值随着接地电阻的增大而不断下降,最后达到测量电位V1的1/2。
图3
图3
视电阻率与接地电阻关系
Fig.3
Diagram of the relationship between apparent resistivity and ground resistance
图4
图4
阻抗相位与接地电阻关系
Fig.4
Diagram of the relationship between impedance phase and ground resistance
目前市场上音频大地电磁工作最高频率可达100 kHz,理论计算结果表明,当接地电阻过大时(R>100 kΩ),不仅高频段视电阻率和阻抗相位曲线会发生严重畸变,中低频段也会受影响;随着接地电阻的减小,视电阻率和阻抗相位曲线受到的影响逐渐减小;当接地电阻小于1 kΩ时,可视为无影响。
3 实测数据校正
为验证上述计算的有效性,选用陕北某水库深厚覆盖层音频大地电磁实测数据来进行校正。工程区地处黄土高原北部,跨入毛乌素沙漠边缘,地势西南高、东北低。地貌成因种类、形态类型较为复杂,可分为北部风沙滩地区、中部梁峁涧地区、南部丘陵沟壑区。区内地层从新到老依次为第四系粉土、新近系黏土岩、白垩系砂岩和长石砂岩。
L1测线布设于水库库盆,因外业工作时间为冬季,地表存在半米左右的冻土,通过给不极化电极浇注盐水,接地电阻仍较大,各测点接地电阻R如表1所示。
表1 L1线各测点接地电阻
Table 1
| 桩号/m | R/Ω | 桩号/m | R/Ω | 桩号/m | R/Ω | 桩号/m | R/Ω |
|---|---|---|---|---|---|---|---|
| 0 | 12 407 | 180 | 7 917 | 370 | 10 456 | 580 | 12 644 |
| 30 | 18 037 | 210 | 11 800 | 400 | 6 305 | 610 | 9 207 |
| 60 | 13 930 | 240 | 8 561 | 430 | 5 389 | 640 | 10 434 |
| 90 | 22 457 | 270 | 11 571 | 460 | 4 123 | 670 | 9 534 |
| 120 | 12 914 | 300 | 8 323 | 490 | 5 392 | 700 | 9 506 |
| 150 | 12 849 | 340 | 8 030 | 550 | 7 340 | 730 | 7 846 |
在接地条件较差的地方,即使通过措施降低接地电阻,仍会存在整条测线接地不稳定的情况。结合理论计算结果表明,不稳定的接地会干扰高频段数据,工程勘查主要使用高频数据,因此对接地电阻的校正十分有必要。
图5
图5
90 m点视电阻率校正前后曲线
Fig.5
Curve of 90 m point apparent resistivity before and after correction
图6
图6
580 m点视电阻率校正前后曲线
Fig.6
Curve of 580 m point apparent resistivity before and after correction
图7
图7
L1线校正前阻抗相位极坐标
Fig.7
Impedance phase polar coordinate diagram before L1 line correction
图8
图8
L1线校正后阻抗相位极坐标
Fig.8
Impedance phase polar coordinate diagram after L1 line correction
图9
图9
L1线校正前反演电阻率剖面
Fig.9
Inverted resistivity profile before correction of L1 line
图10
图10
L1线校正后反演电阻率剖面
Fig.10
Inverted resistivity profile after correction of L1 line
根据电阻率的分布特征及变化规律,在该剖面上,上覆层电阻率ρs变化范围为10~100 Ω·m,为第四系粉土、粉质黏土的反应,推测该层为覆盖层,其深度变化范围为70.7~134.3 m,下伏层顶板高程变化范围为1 277.4~1 365.9 m,电阻率ρs变化范围为300~5 000 Ω·m,为白垩系砂岩、泥质粉砂岩的反映,推测该层为基岩。
在L1线桩号490 m处布钻孔ZK204验证,钻孔编录资料如表2所示。可知,在L1线490 m桩号处,覆盖层厚度为69.8 m。实测解释结果中,校正前覆盖层厚度为65.1 m,误差为6.73%,校正后覆盖层厚度67.8 m,误差为2.87%,表明经接地电阻校正后的反演结果与实际地质情况吻合程度较好。
表2 ZK204编录资料
Table 2
| 层底深度/m | 地层时代 | 岩性 | 地质描述 |
|---|---|---|---|
| 16.7 | 第四系 | 粉土 | 全新统冲湖积粉土,灰黄色,结构松散,成分以粉粒为主,含云母,土质均匀,呈软塑状态,较为饱和。 |
| 60.6 | 第四系 | 粉质黏土 | 上更新统冲洪积粉质黏土,灰黄色,土质均匀,以粉粒、黏粒为主,黏性较好,切面光滑,呈可塑状态,较为饱和。 |
| 69.8 | 第四系 | 粉质黏土 | 中更新统冲洪积粉质黏土,灰黄色,土质均匀,黏粒含量较高,含粉砂及云母,呈可塑状态,较为饱和。 |
| 94.0 | 白垩系 | 砂岩 | 白垩系砂岩,红褐色,粗粒结构,中厚层构造。层面裂隙发育强烈,泥质充填。 |
| 99.7 | 白垩系 | 泥质粉砂岩 | 白垩系泥质粉砂岩,青灰色,细粒结构,中薄层构造,层间裂隙发育强烈,含有较多泥质充填。 |
4 结论
1)理论计算结果表明,接地电阻主要影响AMT高频段的数据,过高的接地电阻会使实测电场、视电阻率、阻抗相位比实际小,极限条件下,实测电场会减少至1/2,视电阻率减小至1/4,阻抗相位最大偏移20°。由于工程勘查领域主要使用高频信号,因此接地电阻带来的测量误差不容忽视。
2)本文计算设定的导线长度L和导线与大地之间的分布电容Cw均较小,当设定较大时,相当于增大了接地电阻,对视电阻率和阻抗相位曲线的影响有相似的结论。通过实测AMT数据,分析了校正前后视电阻率和阻抗相位的差异,并将校正后的TE模式下视电阻率和阻抗相位进行反演解译,做出了相关地质解释,进一步验证了本文校正方法的可行性与准确性。
3)本方法并非将接地电阻的影响直接消除,而是将各测点的接地电阻校正至一个接地电阻很低的状况,即接地电阻的影响可忽略不计。接地电阻的大小和L、Cw的具体函数关系有待进一步研究。
参考文献
综合物探方法在深厚覆盖层探测中的应用
[J].
Application of comprehensive geophysical methods in the detection of deep and thick overburden layers
[J].
大地电磁测深法在水电工程勘察中的应用
[J].
The application of magnetotelluric methodto the investigation of hydropower engineering
[J].
利用EH4音频大地电磁测深仪探测巧家巨型古滑坡及其结构面特征
[J].
Using EH4 audio-magnetotelluric sounder to detect the gigantic Qiaojia paleo-landslide and its structural characteristics
[J].
西宁盆地北西缘南门峡—台子地区断裂构造地球物理探测
[J].
Surveying fault structures by geophysical exploration technique on the northwestern margin of Xining basin
[J].
西南岩溶山区物探找水效果
[J].
The effects of geophysical water exploration in Karst mountain areas of southwest China
[J].
综合物探方法在淮河滨河浅滩岩溶塌陷调查中的应用研究
[J].
Applied research of comprehensive geophysical method to the investigation of Karst collapse in the riverside shoal of Huaihe river
[J].
频率域电磁法在煤矿采空区调查中的应用
[J].
Application of fdem in detecting coal mined-out areas
[J].
音频大地电磁法在探测地下水中的应用——以湛江南木水为例
[J].
Application of audio-frequency magnetotelluric (AMT) in groundwater exploration:A case of the nanmushui area in Zhanjiang
[J].
AMT在新疆三屯河地区地下赋水性研究中的应用
[J].
Application of audio magnetotellurics in the study of the subsurface water-bearing properties of the Santunhe area,Xinjiang
[J].
接地电阻对地电场观测的影响及克服方法
[J].
The effects of the contact resistance of electrode on the measurements and their removal
[J].
Effect of electrode contact resistance on electric field measurements
[C]//
MN长度误差及接地电阻对卡尼亚电阻率的影响
[J].
The effects of errors in m-n electrode-spacing and grounding resistance on cagniard resistivity
[J].
The effect of electrode contact resistance and capacitive coupling on complex resistivity measurements
[C]//
Pb-PbCl2不极化电极的设计与实现
[J].
The design and implementation of non-polarizable Pb-PbCl2 electrodes
[J].
大地电磁测深中大地电场的高精度采集技术
[J].
High-precision acquisition technology of telluric field on magnetotellurics
[J].
接地电阻稳定性对音频大地电磁法测量的影响
[J].
The effect of grounding resistance’ stability on AMT
[J].
接地电阻对MT采集数据影响分析及试验
[J].
The influence of earthing resistance on MT data acquisition and its test
[J].
MN长度误差及方向偏差对EH4视电阻率的影响
[J].
Effects of MN error in length and deviation in direction on apparent resistivity in eh4
[J].
/
| 〈 |
|
〉 |
