基于最优吸收回路大功率时间域激电发射机研制 |
| 钱文圣, 席振铢, 周胜, 亓庆新, 肖长安, 王俊, 薛文韬 |
|
Development of a high-power time-domain induced polarization transmitter based on optimal absorption circuit |
| QIAN Wen-Sheng, XI Zhen-Zhu, ZHOU Sheng, QI Qing-Xin, XIAO Chang-An, WANG Jun, XUE Wen-Tao |
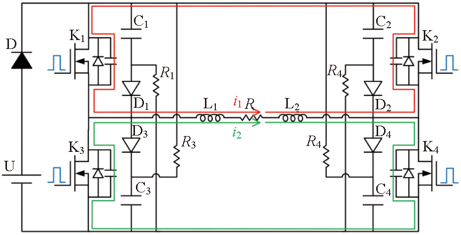
| 图5 t1时刻后回路电流示意 |
| Fig.5 Schematic diagram of circuit current after time t1 |
|