音频大地电磁接地电阻校正技术研究 |
| 李栋, 张明财, 吴远洋 |
|
Exploring a correction technology for ground resistance in audio-frequency magnetotelluric measurements |
| LI Dong, ZHANG Ming-Cai, WU Yuan-Yang |
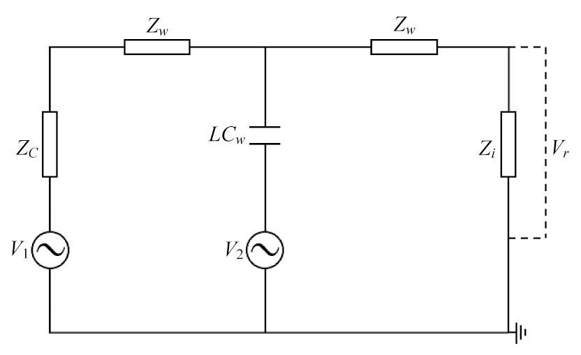
| 图1 接收回路等效电路 |
| Fig.1 Equivalent circuit diagram of receiving loop |
|