基于二次编解码网络的适应性叠前反演方法 |
| 单博, 邢宇鑫, 张繁昌, 李志伟, 陈默 |
|
Adaptive prestack inversion method based on quadratic encoder-decoder network |
| SHAN Bo, XING Yu-Xin, ZHANG Fan-Chang, LI Zhi-Wei, CHEN Mo |
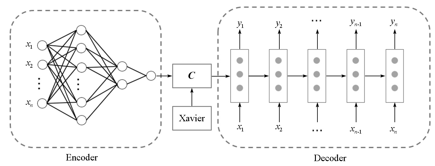
| 图2 二次编解码网络结构 |
| Fig.2 Quadratic Encoder-Decoder network structure |
|