地下电缆的探地雷达图像特征与识别技术 |
| 李靖翔, 赵明, 赖皓, 熊双成, 唐阳 |
|
Imaging detection and recognition technology of underground cable based on ground penetrating radar |
| LI Jing-Xiang, ZHAO Ming, LAI Hao, XIONG Shuang-Cheng, TANG Yang |
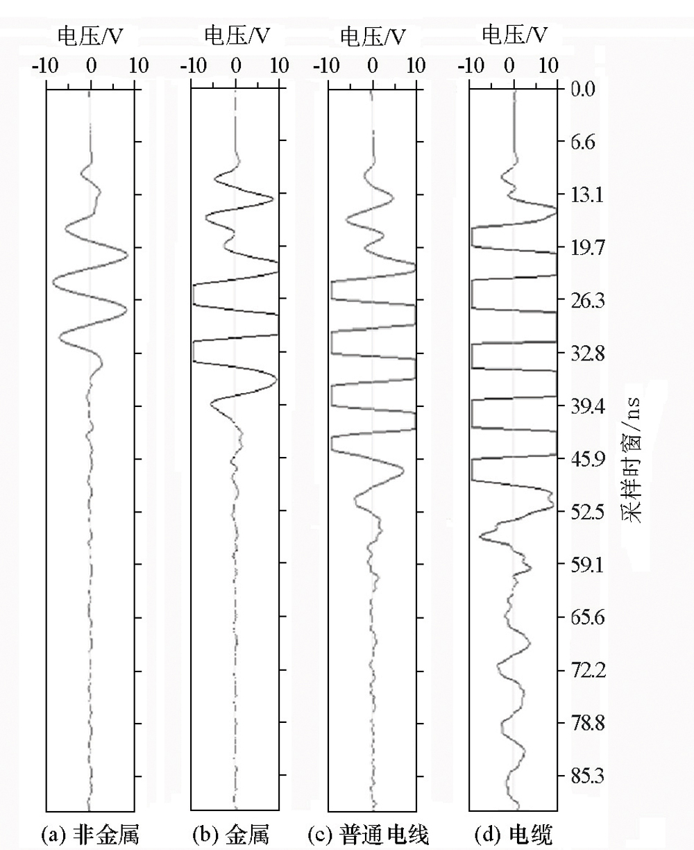
| 图5 典型介质的探测单道波形示意 |
| Fig.5 The single channel waveform of a typical medium |
|