砂泥岩水淹层的常规测井曲线定性识别方法 |
| 朱学娟, 葛新民, 孔雪, 张瑞香 |
|
Qualitative identification of sandstone water flooded layer by conventional logging curves |
| Xue-Juan ZHU, Xin-Min GE, Xue KONG, Rui-Xiang ZHANG |
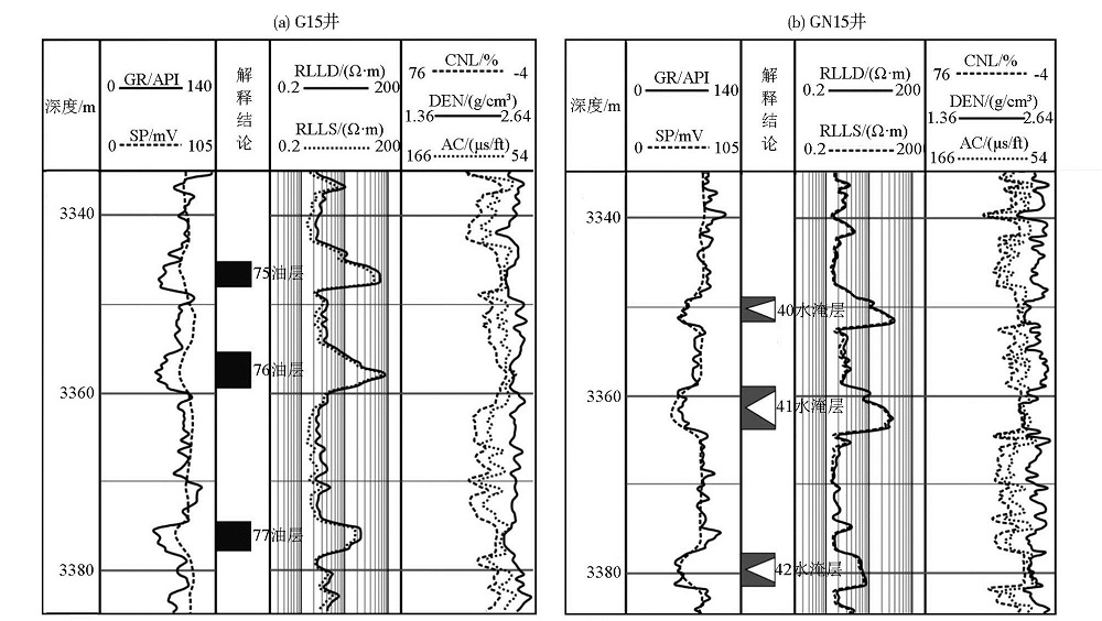
| 图4 曲线综合分析识别水淹层实例1 GR—自然伽马;SP—自然电位;AC—声波时差;CNL—中子孔隙度;DEN—密度测井;RLLD—深侧向电阻率;RLLS—浅侧向电阻率 |
|